This White LED lamp illuminates your porch with cool white light. The circuit is too simple and energy saving design. Its current consumption is practically nil but can provide light like a 20 watt CFL lamp. It is directly connected to AC lines to eliminate a bulk transformer
Ultra White LED Lamps are now replacing the fluorescent lamps due to its energy saving property and simplicity of design. White LED emits 1000 to 6000 MCD light and easily works on 3 volts at 20 mA. White LEDs are available as spot light and diffuse type versions. Different sizes like 3mm, 5mm and 10 mm varieties are now common. High watt single white LED is also available. White LEDs was introduced in 1990 which uses Indium Gallium Nitride (InGaN) as the semiconductor. White LED contains a blue chip with white inorganic Phosphor.
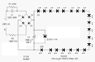
When blue light strikes the phosphor, it emits white light. The circuit uses capacitive reactance to drop high volt AC to low volt AC. This reduces power loss due to heat dissipation. The value of the AC capacitor can be calculated using the formula X c= 1/ (2 π f C) where, Xc is the reactance in ohms, C the capacitance in farads and f the mains frequency. Xc = Vrms / I where Vrms is the input voltage and I is the current flowing through LEDs. The low volt AC (around 100 volts) dropped by C1 is then rectified by a full wave rectifier formed of D1-D4.
Capacitor C2 act as a ripple remover and buffer. Zener diode ZD regulates DC to 69 volts and prevents excess reverse voltage across the LEDs during the negative half cycles.R1 is a must in the circuit to bleed the stored current from C1 when the circuit in unplugged. C1 can store more than 400 volts for many days if R1 is not connected. This can give a lethal shock.R2 reduces the inrush current.20 LEDs are connected as a string to obtain luminance equal to 20W CFL. Enclose the circuit in a shock proof case. If a reflector is provided behind the LEDs, it will give a flood light appearance. Important! Do not touch any points or trouble shoot when the circuit is connected to mains.
Caution: This is an AC powered circuit and can give fatal shock if handled carelessly. Do not construct the circuit unless you are competent to handle high volt circuits.
Designed by D.Mohankumar
Ultra White LED Lamps are now replacing the fluorescent lamps due to its energy saving property and simplicity of design. White LED emits 1000 to 6000 MCD light and easily works on 3 volts at 20 mA. White LEDs are available as spot light and diffuse type versions. Different sizes like 3mm, 5mm and 10 mm varieties are now common. High watt single white LED is also available. White LEDs was introduced in 1990 which uses Indium Gallium Nitride (InGaN) as the semiconductor. White LED contains a blue chip with white inorganic Phosphor.
When blue light strikes the phosphor, it emits white light. The circuit uses capacitive reactance to drop high volt AC to low volt AC. This reduces power loss due to heat dissipation. The value of the AC capacitor can be calculated using the formula X c= 1/ (2 π f C) where, Xc is the reactance in ohms, C the capacitance in farads and f the mains frequency. Xc = Vrms / I where Vrms is the input voltage and I is the current flowing through LEDs. The low volt AC (around 100 volts) dropped by C1 is then rectified by a full wave rectifier formed of D1-D4.
Capacitor C2 act as a ripple remover and buffer. Zener diode ZD regulates DC to 69 volts and prevents excess reverse voltage across the LEDs during the negative half cycles.R1 is a must in the circuit to bleed the stored current from C1 when the circuit in unplugged. C1 can store more than 400 volts for many days if R1 is not connected. This can give a lethal shock.R2 reduces the inrush current.20 LEDs are connected as a string to obtain luminance equal to 20W CFL. Enclose the circuit in a shock proof case. If a reflector is provided behind the LEDs, it will give a flood light appearance. Important! Do not touch any points or trouble shoot when the circuit is connected to mains.
Caution: This is an AC powered circuit and can give fatal shock if handled carelessly. Do not construct the circuit unless you are competent to handle high volt circuits.
Designed by D.Mohankumar

0 komentar:
Posting Komentar